产品展示
LZZB1—10,LZZB1—10GY 电流互感器
首页 / 产品中心 / 电流互感器
产品标题:LZZB1—10,LZZB1—10GY 电流互感器
产品ID:VIB20091214150644734
品  牌:VABO华波互感器
所在地:中国 上海
价  格:面议 (大量采购价格面议)
库存状态:货期待查
更新日期:2025-9-11 22:03:02
咨询电话:(+86)021-51699285
咨询Q Q: 2695337323
产品简述

LZZB1—10,LZZB1—10GY 电流互感器

产品详情

LZZB1—10,LZZB1—10GY型电流互感器

1.型号及其含义

 

2. 产品标准

产品性能符合GB1208-1997国家标准、DL/T 725-2000电力行业标准和IEC185标准。

3.结构与规格

本型电流互感器为支柱式结构,采用环氧树脂全封闭浇注成型。耐污秽、耐潮湿性能好。本产品有两个二次绕组,第一个二次绕组的准确限值系数达 5P20,精确度为0.2(或0.5)级, 可以供保护用或保护、测量共用。第二个二次绕组的精确度为0.1级,并同时满足0.2S级要求,可以供计量用或计量、测量共用。
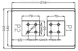
本型电流互感器有多种变比:30/5A(1A)、40/5A(1A)、50/5A(1A)、75/5A(1A)、 100/5A(1A)、150/5A(1A)、200/5A(1A)、300/5A(1A)、400/5A(1A)、 600/5A(1A)、750/5A(1A)、800/5A(1A)、1000/5A(1A)、1200/5A(1A)、 1500/5A(1A)、1600/5A(1A)、2000/5A(1A)多种。本产品外形尺寸见图1和图3,一次绕组接线端子尺寸见图2和图4。

图1 1200A以下的产品外形尺寸图

 

图2 1200A以下的产品一次绕组接线端子尺寸图

图3 1500A以上的产品外形尺寸图

图4 1500A以上的产品一次绕组接线端子尺寸图

4 产品额定值及技术参数

4.1 额定电压:10kV
4.2 最高工作电压:12kV
4.3 额定频率:50Hz
4.4 额定一次电流: 30A、40A、50A、75A、100A、150A、200A、300A、400A、600A、750A、800A、1000A、1200A、1500A、1600A、2000A。
4.5 额定二次电流:5A或1A。
4.6 额定输出:25VA,负荷功率因数为0.8 ~ 1。
4.7 准确级、准确限值系数(ALF)和 仪表保安系数(FS):
4.7.1 第一个二次绕组(保护、测量用)1S1-1S2
在各种额定输出时的准确限值系数和准确级见表1,负荷的功率因数为COSΦ=0.8~1。

表 1

一次电流

1S1-1S2 在下述额定输出时的 准确限值系数( ALF)

1S1-1S2准确级

10VA

15VA

20VA

25VA

10VA-25VA

30-800A

5P20

5P15

5P10

5P10

0.5级

1000A

5P25

5P20

5P15

5P15

0.2级

1200A

5P25

5P20

5P20

5P15

0.2级

1500A

5P25

5P20

5P20

5P15

0.2级

1600A

5P30

5P20

5P20

5P15

0.2级

2000A

5P30

5P25

5P20

5P20

0.2级

4.7.2 第二个二次绕组(计量、测量用)2S1-2S2
在各种额定输出下的准确级和仪表保安系数见表2。负荷的功率因数为COSΦ=0.8~1。

表 2

1

2S1-2S2在下述 额定输出 下的准确级和 仪表保安系数

额定输出 VA

10VA

15VA

20VA

25VA

准确级

0.1

0.1

0.1

0.2S

仪表保安系数( FS )

10

10

10

10

4.8 额定短时热电流和额定动稳定电流,见表3。

表 3

额定 变比

额定短时热电流( kA)

额定动稳定电流( kA)

重量( kg )

30-100/5A(1A)

15

37.5

≤ 20

150/5A(1A)

22.5

56

≤ 20

200/5A(1A)

30

75

≤ 20

300-400/5A(1A)

45

112.5

≤ 20

600-800/5A(1A)

63

120

≤ 20

1000-1200/5A(1A)

75

130

≤ 20

1500-2000/5A(1A)

90

140

≤ 20

4.9 绝缘性能
4.9.1 一次绕组额定绝缘水平
A. 设备最高电压:12kV。
B. 额定工频耐受电压:42kV。
C. 额定雷电冲击耐受电压:75kV。
4.9.2 二次绕组额定绝缘水平
二次绕组之间及对地绝缘的额定短时工频耐受电压为3kV。
4.9.3 绝缘电阻
互感器各绕组之间及对地(或底板)之间的绝缘电阻(用开路电压为2500V的测试仪表测定),不小于100MW。
4.10 局部放电水平
局部放电水平符合国家标准,在1.2Um(14.4kV)电压下,不超过50pC。
4.11 重量:见表3。

5. 安装、使用与维护

5.1 安装
1200/5A(1A) 以下产品的外形尺寸见图1,一次绕组接线端子尺寸见图2。1500/5A(1A) 以上产品的外形尺寸见图3,一次绕组接线端子尺寸见图4。有两种安装方式,第1种为利用产品底部的4个M12的安装孔用螺钉直接安装在开关柜的安装板上,开孔尺寸见图5。第2种为利用产品底部的安装底板上的4个Φ13的安装孔用螺钉和螺母安装,开孔尺寸见图6。安装时不要损坏浇注体表面。
本产品的一次绕组接线端子 P1、P2在上部,表面镀银,以保证接触良好,采用8个M10螺钉与汇流排固定连接,见图2和图4,以保证接触良好。二次绕组接线端子1S1、1S2、 2S1、2S2在产品下部,表面镀镍。产品的接地利用底部的四个安装孔或 产品底部的安装底板。

图5 不带安装底板时的安装开孔尺寸图

图6 带安装底板时的安装开孔尺寸图

5.2 使用
使用前应检查二次绕组的接线极性为1S1、2S1与P1同极性。即当一次电流从P1流入互感器由P2流出时,二次电流从1S1、2S1流出经过二次负荷后由1S2、2S2流回互感器。运行中当一次绕组有电流时,二次绕组不得开路,否则在二次绕组端子间可能产生危险的高电压