021-51699285
首页
关于我们
公司简介
关于品牌
荣誉资质
产品中心
工业连接端子CLIPLINE
工业现场布线PLUSCON
印刷线路板连接器COMBICON
防雷及电涌保护器TRABTECH
电子接口产品INTERFACE
自动化系统AUTOMATION
新闻中心
公司新闻
行业动态
联系我们
产品展示
LN-0.66系列塑壳互感器
首页
/
产品中心
/
塑壳互感器系列
塑壳互感器系列
0.5KV母线式电流互感器
0.5KV树脂浇注式互感器
LYM-0.5系列大电流母排式互感器
0.5干式电压互感器
零序互感器
限流电抗器
BLZ-1K系列直流互感器
HL23-1系列仪用互感器
智能控制器
电机软启动器
特殊(特种)电流互感器
霍尔电流传感器
钳型互感器
微型精密互感器
矿用真空馈电开关用互感器
10KV干式电流互感器
35KV干式电流互感器
10KV-35KV系列高压计量箱
6KV-35KV油浸式电压互感器
10KV-35KV油浸式电流互感器
10KV-35KV(户外)干式电压互感器
10KV-35KV(户内)干式电压互感器
放电线圈(油浸式放电线圈、干式户内放电线圈)
三相抗谐振电压互感器
产品标题:LN-0.66系列塑壳互感器
产品ID:
VIB20100104132015734
品 牌:
ANGESUN互感器
所在地:中国 上海
价 格:面议 (大量采购价格面议)
库存状态:
货期待查
更新日期:2025-10-7 1:55:34
咨询电话:(+86)021-51699285
咨询Q Q:
2695337323
产品简述
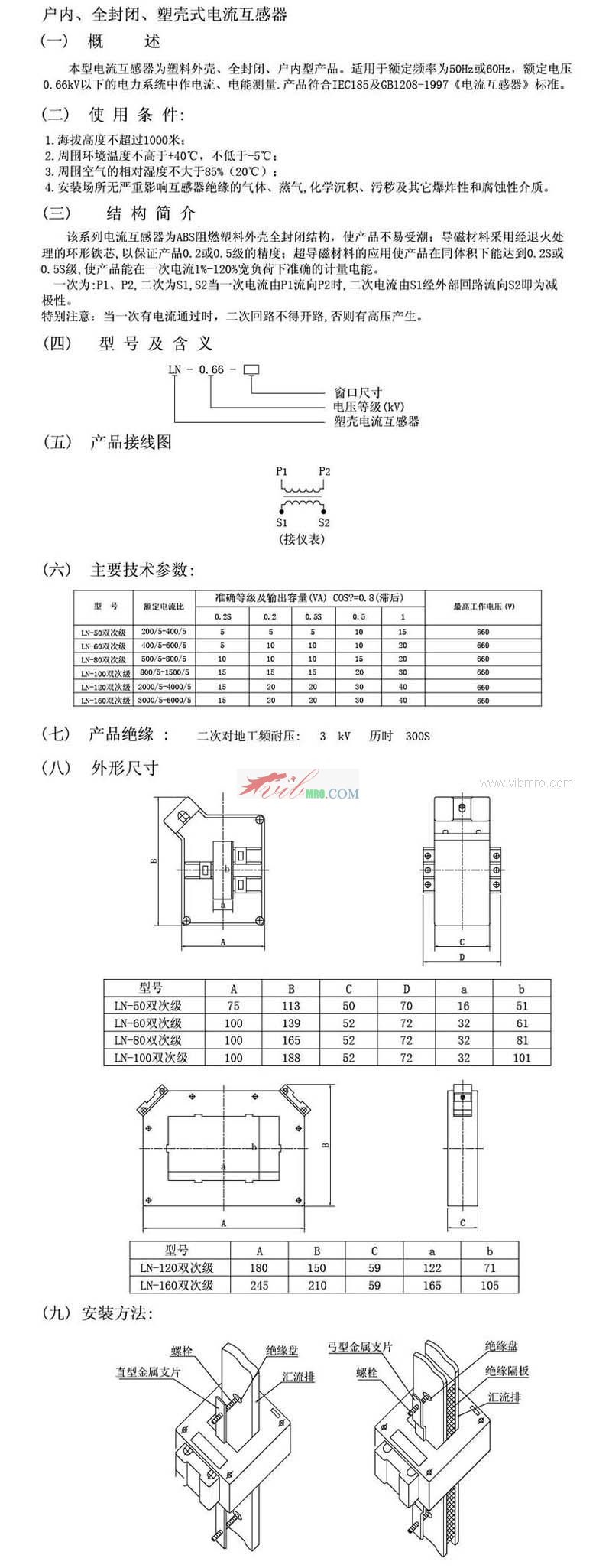
LN-0.66系列塑壳互感器
产品详情
产品型号
单作用螺纹气缸 AEVC-100-25-I-P-A
单作用螺纹气缸 AEVC-100-10-I-P
单作用短行程气AEVC-40-25-A-P-A
单作用短行程气AEVC-40-10-A-P
单作用短行程气AEVC-40-25-A-P
双作用短行程气ADVC-40-5-I-P-A
双作用短行程气 ADVC-40-10-I-P-A
双作用短行程气ADVC-40-15-I-P-A
双作用短行程气 ADVC-40-20-I-P-A
双作用短行程气ADVC-40-25-I-P-A
双作用短行程气ADVC-40-5-I-P
双作用短行程气ADVC-40-10-I-P
双作用短行程气ADVC-40-15-I-P
双作用短行程气 ADVC-40-20-I-P
前一页
LMK-0.66系列塑壳互感器
后一页
LMK-0.66系列塑壳互感器
产品中心
更多产品
MORE+
JDZJ-10Q(干式)全工况电压互感器
LJZ-Φ65浇注式(零序)电流互感器
JSZK1-6.10三相搞谐振型电压感器
JSZK1-6三相搞谐振型电压感器
JDZ8-35电压互感器
JSZK1-6.10三相搞谐振型电压感器
JSZK1-6.10三相搞谐振型电压感器
LMZJ1-0.5系列户内型浇注式电流互感器
霍尔传感器 SMH-S1-HGPP10/12
霍尔传感器 SMH-S1-HGPP16
霍尔传感器 SMH-S1-HGPP20/25
摆动夹紧缸 CTLF-25- -
电话:
021-51699285
传真:
021-51698592
手机:
13611905823
地址:上海市宝山区恒高路127弄6号楼2202室
首 页
关于我们
公司简介
品牌介绍
企业荣誉
产品中心
工业连接端子CLIPLINE
工业现场布线PLUSCON
印刷线路板连接器COMBICON
防雷及电涌保护器TRABTECH
电子接口产品INTERFACE
自动化系统AUTOMATION
新闻中心
公司新闻
行业动态
联系我们