021-51699285
首页
关于我们
公司简介
关于品牌
荣誉资质
产品中心
工业连接端子CLIPLINE
工业现场布线PLUSCON
印刷线路板连接器COMBICON
防雷及电涌保护器TRABTECH
电子接口产品INTERFACE
自动化系统AUTOMATION
新闻中心
公司新闻
行业动态
联系我们
产品展示
保护型电流互感器CTDD
首页
/
产品中心
/
微型精密互感器
塑壳互感器系列
0.5KV母线式电流互感器
0.5KV树脂浇注式互感器
LYM-0.5系列大电流母排式互感器
0.5干式电压互感器
零序互感器
限流电抗器
BLZ-1K系列直流互感器
HL23-1系列仪用互感器
智能控制器
电机软启动器
特殊(特种)电流互感器
霍尔电流传感器
钳型互感器
微型精密互感器
矿用真空馈电开关用互感器
10KV干式电流互感器
35KV干式电流互感器
10KV-35KV系列高压计量箱
6KV-35KV油浸式电压互感器
10KV-35KV油浸式电流互感器
10KV-35KV(户外)干式电压互感器
10KV-35KV(户内)干式电压互感器
放电线圈(油浸式放电线圈、干式户内放电线圈)
三相抗谐振电压互感器
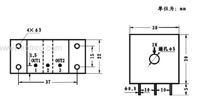
产品标题:保护型电流互感器CTDD
产品ID:
VIB20100105124428734
品 牌:
ANGESUN互感器
所在地:中国 上海
价 格:面议 (大量采购价格面议)
库存状态:
货期待查
更新日期:2025-10-24 18:03:59
咨询电话:(+86)021-51699285
咨询Q Q:
2695337323
产品简述
保护型电流互感器CTDD
产品详情
保护型电流互感器CTDD
产品型号
双作用气缸 DSEU-32-50-P-A
双作用气缸 DSEU-32-80-P-A
双作用气缸 DSEU-32-100-P-A
双作用气缸 DSEU-32-125-P-A
双作用气缸 DSEU-32-160-P-A
双作用气缸 DSEU-32-200-P-A
双作用气缸 DSEU-32-250-P-A
双作用气缸 DSEU-32-320-P-A
双作用气缸 DSEU-40-25-P-A
双作用气缸 DSEU-40-40-P-A
双作用气缸 DSEU-40-50-P-A
双作用气缸 DSEU-40-80-P-A
双作用气缸 DSEU-40-100-P-A
双作用气缸 DSEU-40-125-P-A
前一页
屏蔽保护型电流互感器CTDC
后一页
屏蔽保护型电流互感器CTDC
产品中心
更多产品
MORE+
FD2油浸式放电线圈
一匝穿芯式交流泄漏电流传感器
JSZK1-10三相搞谐振型电压感器
JSZF-6.10G三相搞谐振型电压感器
LZJC-10Q高压电流互感器
JDZX6-35W2(干式)带金属外壳户外电压互感器
JDZ-10Q(干式)全工况电压互感器
JLS4-35三相四线(油浸)计量箱
双作用气缸 DSEU-25-10-P-A
双作用气缸 DSEU-25-25-P-A
双作用气缸 DSEU-25-40-P-A
双作用气缸 DSEU-25-50-P-A
电话:
021-51699285
传真:
021-51698592
手机:
13611905823
地址:上海市宝山区恒高路127弄6号楼2202室
首 页
关于我们
公司简介
品牌介绍
企业荣誉
产品中心
工业连接端子CLIPLINE
工业现场布线PLUSCON
印刷线路板连接器COMBICON
防雷及电涌保护器TRABTECH
电子接口产品INTERFACE
自动化系统AUTOMATION
新闻中心
公司新闻
行业动态
联系我们