021-51699285
首页
关于我们
公司简介
关于品牌
荣誉资质
产品中心
工业连接端子CLIPLINE
工业现场布线PLUSCON
印刷线路板连接器COMBICON
防雷及电涌保护器TRABTECH
电子接口产品INTERFACE
自动化系统AUTOMATION
新闻中心
公司新闻
行业动态
联系我们
产品展示
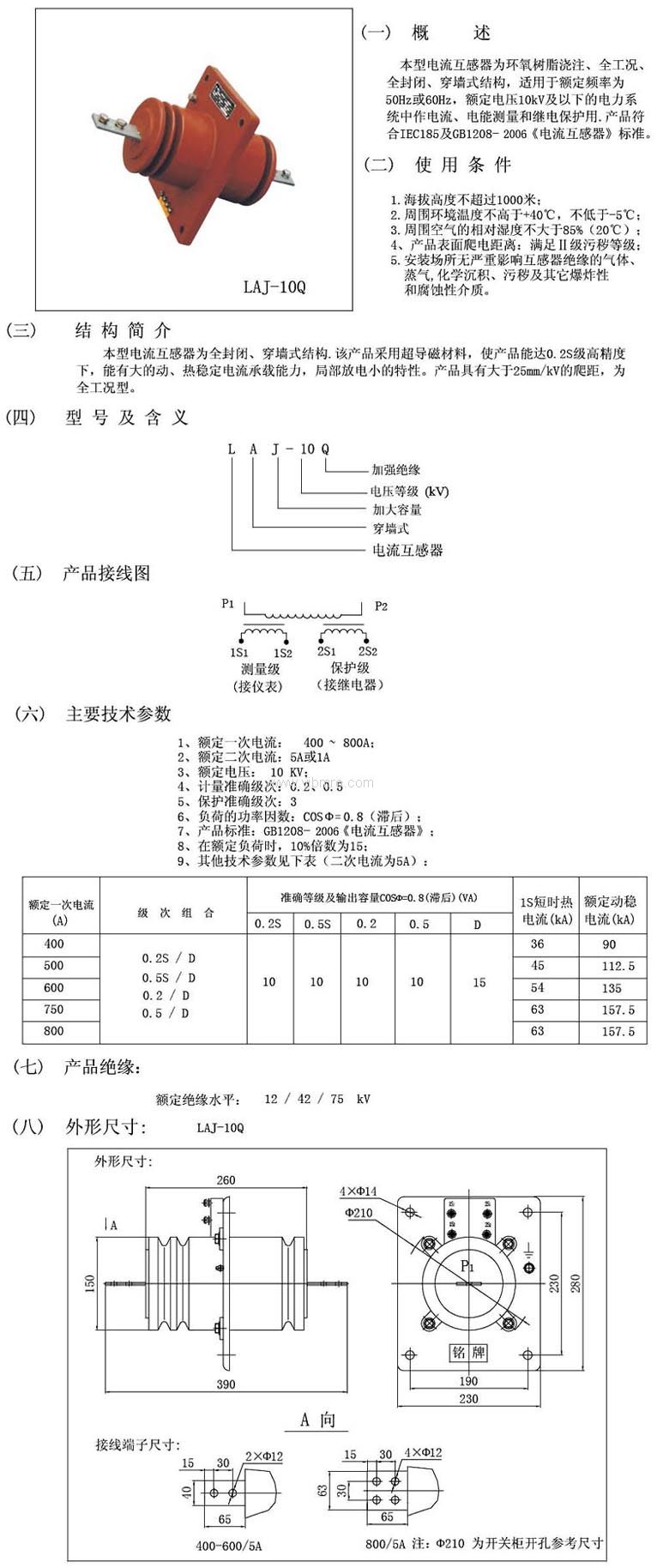
LAJ-10(5-300/5)户内、全工况、全半封闭电流互感器
首页
/
产品中心
/
10KV干式电流互感器
塑壳互感器系列
0.5KV母线式电流互感器
0.5KV树脂浇注式互感器
LYM-0.5系列大电流母排式互感器
0.5干式电压互感器
零序互感器
限流电抗器
BLZ-1K系列直流互感器
HL23-1系列仪用互感器
智能控制器
电机软启动器
特殊(特种)电流互感器
霍尔电流传感器
钳型互感器
微型精密互感器
矿用真空馈电开关用互感器
10KV干式电流互感器
35KV干式电流互感器
10KV-35KV系列高压计量箱
6KV-35KV油浸式电压互感器
10KV-35KV油浸式电流互感器
10KV-35KV(户外)干式电压互感器
10KV-35KV(户内)干式电压互感器
放电线圈(油浸式放电线圈、干式户内放电线圈)
三相抗谐振电压互感器
产品标题:LAJ-10(5-300/5)户内、全工况、全半封闭电流互感器
产品ID:
VIB20100105143031734
品 牌:
ANGESUN互感器
所在地:中国 上海
价 格:面议 (大量采购价格面议)
库存状态:
货期待查
更新日期:2025-9-11 19:25:40
咨询电话:(+86)021-51699285
咨询Q Q:
2695337323
产品简述
LAJ-10(5-300/5)户内、全工况、全半封闭电流互感器
产品详情
产品型号
真空吸盘 ESS-30-SNA
真空吸盘 ESS-40-SN
真空吸盘 ESS-40-SU
真空吸盘 ESS-40-SS
真空吸盘 ESS-40-SF
真空吸盘 ESS-40-SNA
真空吸盘 ESS-50-SN
真空吸盘 ESS-50-SU
真空吸盘 ESS-50-SS
真空吸盘 ESS-50-SF
真空吸盘 ESS-50-SNA
吸盘转接支架 ESH-HC-1-PK
吸盘转接支架 ESH-HC-2-QS
吸盘转接支架 ESH-HC-2-PK
前一页
LA-10Q户内、半封闭电流互感器
后一页
LA-10Q户内、半封闭电流互感器
产品中心
更多产品
MORE+
LM-0.5系列母线式电流互感器
LJM-1母排式(零序)电流互感器
JSJW-6(油浸)电压互感器
LJZ-Φ65浇注式(零序)电流互感器
JDZ-10Q(干式)全工况电压互感器
AM(DM)系列塑壳互感器
LQG-0.66系列塑壳互感器
LZZBJ71-12(干式)户外、全封闭电流互感器
NUTABD.,BEFEST. DGPXX- 32- -BZ
双作用气缸 DNGV- 32- PPV-S6 -SA
双作用气缸 DNGV- 40- PPV-S6 -SA
双作用气缸 DNGV- 50- PPV-S6 -SA
电话:
021-51699285
传真:
021-51698592
手机:
13611905823
地址:上海市宝山区恒高路127弄6号楼2202室
首 页
关于我们
公司简介
品牌介绍
企业荣誉
产品中心
工业连接端子CLIPLINE
工业现场布线PLUSCON
印刷线路板连接器COMBICON
防雷及电涌保护器TRABTECH
电子接口产品INTERFACE
自动化系统AUTOMATION
新闻中心
公司新闻
行业动态
联系我们