021-51699285
首页
关于我们
公司简介
关于品牌
荣誉资质
产品中心
工业连接端子CLIPLINE
工业现场布线PLUSCON
印刷线路板连接器COMBICON
防雷及电涌保护器TRABTECH
电子接口产品INTERFACE
自动化系统AUTOMATION
新闻中心
公司新闻
行业动态
联系我们
产品展示
JLSZ-10三相三线组合互感器(干式)计量器
首页
/
产品中心
/
10KV-35KV系列高压计量箱
塑壳互感器系列
0.5KV母线式电流互感器
0.5KV树脂浇注式互感器
LYM-0.5系列大电流母排式互感器
0.5干式电压互感器
零序互感器
限流电抗器
BLZ-1K系列直流互感器
HL23-1系列仪用互感器
智能控制器
电机软启动器
特殊(特种)电流互感器
霍尔电流传感器
钳型互感器
微型精密互感器
矿用真空馈电开关用互感器
10KV干式电流互感器
35KV干式电流互感器
10KV-35KV系列高压计量箱
6KV-35KV油浸式电压互感器
10KV-35KV油浸式电流互感器
10KV-35KV(户外)干式电压互感器
10KV-35KV(户内)干式电压互感器
放电线圈(油浸式放电线圈、干式户内放电线圈)
三相抗谐振电压互感器
产品标题:JLSZ-10三相三线组合互感器(干式)计量器
产品ID:
VIB20100106101538734
品 牌:
ANGESUN互感器
所在地:中国 上海
价 格:面议 (大量采购价格面议)
库存状态:
货期待查
更新日期:2025-10-24 19:09:22
咨询电话:(+86)021-51699285
咨询Q Q:
2695337323
产品简述
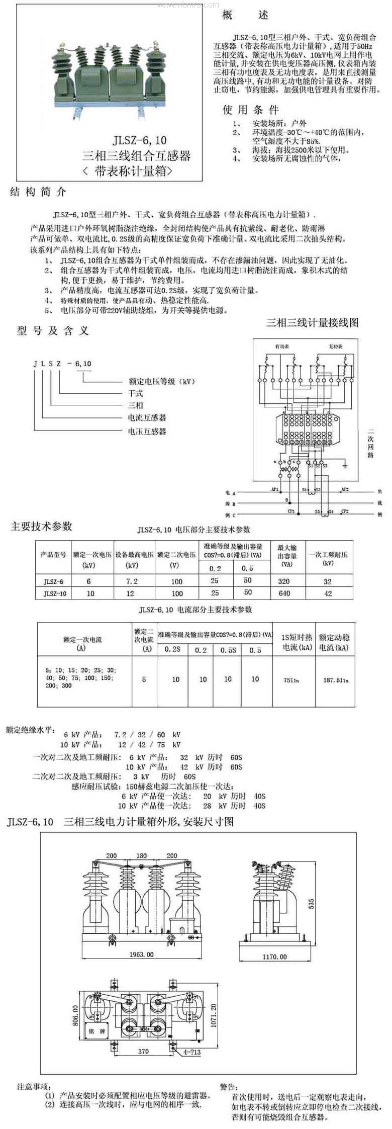
JLSZ-6、10三相三线组合互感器(干式)计量器
产品详情
产品型号
T形快插式螺纹接 QST-CM-1/4-4
T形快插式螺纹接 QST-CM-M5-6
T形快插式螺纹接 QST-CM-1/8-6
T形快插式螺纹接 QST-CM-1/4-6
T形快插式螺纹接 QST-CM-3/8-6
抗静电塑料气管 PUN-CM-4-SW
抗静电塑料气管 PUN-CM-6-SW
T型快插式接头 QST-CM-4
T型快插式接头 QST-CM-6
说明书 P.BE-SPC200-COM-IBS-DE
说明书 P.BE-SPC200-COM-IBS-EN
说明书 P.BE-SPC200-COM-PDP-DE
说明书 P.BE-SPC200-COM-PDP-EN
说明书 P.BE-SPC200-SMX-1-DE
前一页
JLSZ-6三相三线组合互感器(干式)计量器
后一页
JLSZ-6三相三线组合互感器(干式)计量器
产品中心
更多产品
MORE+
JDZW-7.2、12(干式)户外电压互感器
JDZ-6Q(干式)全工况电压互感器
JDZ-10Q(干式)全工况电压互感器
JLS4-35三相四线(油浸)计量箱
LAZBJ-10Q全封闭、全工况、多次级电流互感器
LFSQ-10高压电流互感器
LQZBJ-10Q高压电流互感器
JDZ1.2-1(干式)电压互感器
单作用短行程气AEVC-80-10-A-P
单作用短行程气AEVC-80-25-A-P
双作用短行程气ADVC-80-10-I-P-A
双作用短行程气ADVC-80-15-I-P-A
电话:
021-51699285
传真:
021-51698592
手机:
13611905823
地址:上海市宝山区恒高路127弄6号楼2202室
首 页
关于我们
公司简介
品牌介绍
企业荣誉
产品中心
工业连接端子CLIPLINE
工业现场布线PLUSCON
印刷线路板连接器COMBICON
防雷及电涌保护器TRABTECH
电子接口产品INTERFACE
自动化系统AUTOMATION
新闻中心
公司新闻
行业动态
联系我们