021-51699285
首页
关于我们
公司简介
关于品牌
荣誉资质
产品中心
工业连接端子CLIPLINE
工业现场布线PLUSCON
印刷线路板连接器COMBICON
防雷及电涌保护器TRABTECH
电子接口产品INTERFACE
自动化系统AUTOMATION
新闻中心
公司新闻
行业动态
联系我们
产品展示
JLS-6双向计量(油浸)计量箱
首页
/
产品中心
/
10KV-35KV系列高压计量箱
塑壳互感器系列
0.5KV母线式电流互感器
0.5KV树脂浇注式互感器
LYM-0.5系列大电流母排式互感器
0.5干式电压互感器
零序互感器
限流电抗器
BLZ-1K系列直流互感器
HL23-1系列仪用互感器
智能控制器
电机软启动器
特殊(特种)电流互感器
霍尔电流传感器
钳型互感器
微型精密互感器
矿用真空馈电开关用互感器
10KV干式电流互感器
35KV干式电流互感器
10KV-35KV系列高压计量箱
6KV-35KV油浸式电压互感器
10KV-35KV油浸式电流互感器
10KV-35KV(户外)干式电压互感器
10KV-35KV(户内)干式电压互感器
放电线圈(油浸式放电线圈、干式户内放电线圈)
三相抗谐振电压互感器
产品标题:JLS-6双向计量(油浸)计量箱
产品ID:
VIB20100106112411734
品 牌:
ANGESUN互感器
所在地:中国 上海
价 格:面议 (大量采购价格面议)
库存状态:
货期待查
更新日期:2025-10-25 10:20:31
咨询电话:(+86)021-51699285
咨询Q Q:
2695337323
产品简述
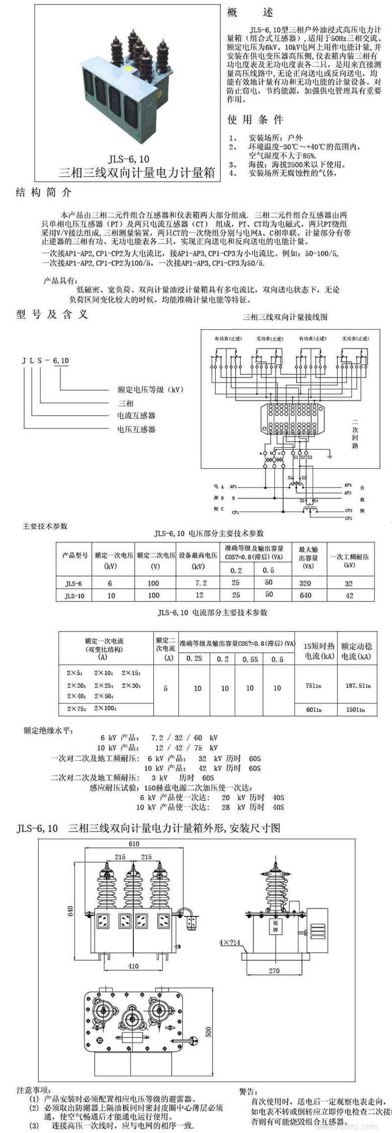
JLS-6、10双向计量(油浸)计量箱
产品详情
产品型号
单作用螺纹气缸 AEVC-20-5-I-P-A
单作用螺纹气缸 AEVC-20-10-I-P-A
单作用螺纹气缸 AEVC-20-25-I-P-A
NAEH.SCH.KAPNPN D:SKE-M12-NS-LED-SIBU
NAEH.SCH.INDNPN D:SIE-M12-NS-LED-SIBU
NAEH.SCH.EL.NPN D:S-NS-SMTO-4U-K
电磁阀 MOZH-3-M3-L-K -SA
NUTABD.,BEFEST. DGPXX- 12/18- -BZ
NUTABD.,BEFEST. DGPXX- 25- -BZ
NUTABD.,BEFEST. DGPXX- 32- -BZ
双作用气缸 DNGV- 32- PPV-S6 -SA
双作用气缸 DNGV- 40- PPV-S6 -SA
双作用气缸 DNGV- 50- PPV-S6 -SA
双作用气缸 DNGV- 63- PPV-S6 -SA
前一页
JLS-35三相三线双向计量(油浸)计量箱
后一页
JLS-35三相三线双向计量(油浸)计量箱
产品中心
更多产品
MORE+
JSZF-6.10G三相搞谐振型电压感器
LZJC-10Q高压电流互感器
JDZX6-35W2(干式)带金属外壳户外电压互感器
JDZ-10Q(干式)全工况电压互感器
JLS4-35三相四线(油浸)计量箱
LAZBJ-10Q全封闭、全工况、多次级电流互感器
JDZ1.2-1(干式)电压互感器
MFO-0.66系列塑壳互感器
电磁阀套件 CPV14-M1H-2XGLS-5/3G-1/8
气动接口组件 CPV10-EP-U-QS
气动接口组件 CPV10-EP-S-U-QS
气动接口组件 CPV10-EP-B-U-QS
电话:
021-51699285
传真:
021-51698592
手机:
13611905823
地址:上海市宝山区恒高路127弄6号楼2202室
首 页
关于我们
公司简介
品牌介绍
企业荣誉
产品中心
工业连接端子CLIPLINE
工业现场布线PLUSCON
印刷线路板连接器COMBICON
防雷及电涌保护器TRABTECH
电子接口产品INTERFACE
自动化系统AUTOMATION
新闻中心
公司新闻
行业动态
联系我们