021-51699285
首页
关于我们
公司简介
关于品牌
荣誉资质
产品中心
工业连接端子CLIPLINE
工业现场布线PLUSCON
印刷线路板连接器COMBICON
防雷及电涌保护器TRABTECH
电子接口产品INTERFACE
自动化系统AUTOMATION
新闻中心
公司新闻
行业动态
联系我们
产品展示
RCT系列塑壳互感器
首页
/
产品中心
/
塑壳互感器系列
塑壳互感器系列
0.5KV母线式电流互感器
0.5KV树脂浇注式互感器
LYM-0.5系列大电流母排式互感器
0.5干式电压互感器
零序互感器
限流电抗器
BLZ-1K系列直流互感器
HL23-1系列仪用互感器
智能控制器
电机软启动器
特殊(特种)电流互感器
霍尔电流传感器
钳型互感器
微型精密互感器
矿用真空馈电开关用互感器
10KV干式电流互感器
35KV干式电流互感器
10KV-35KV系列高压计量箱
6KV-35KV油浸式电压互感器
10KV-35KV油浸式电流互感器
10KV-35KV(户外)干式电压互感器
10KV-35KV(户内)干式电压互感器
放电线圈(油浸式放电线圈、干式户内放电线圈)
三相抗谐振电压互感器
产品标题:RCT系列塑壳互感器
产品ID:
VIB20100104135058734
品 牌:
ANGESUN互感器
所在地:中国 上海
价 格:面议 (大量采购价格面议)
库存状态:
货期待查
更新日期:2025-10-7 9:51:23
咨询电话:(+86)021-51699285
咨询Q Q:
2695337323
产品简述
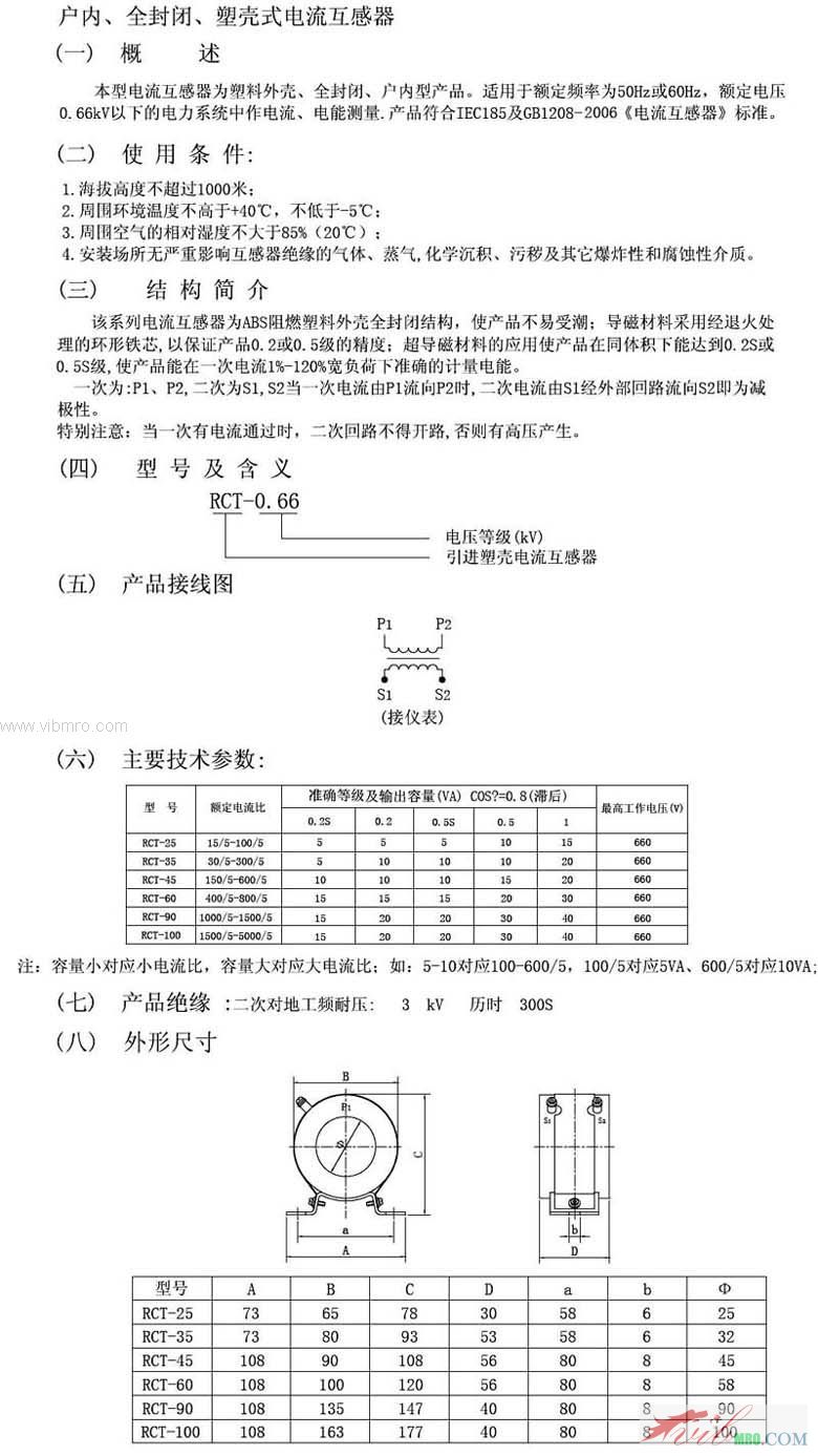
RCT系列塑壳互感器
产品详情
产品型号
吸盘支架 ESH-HB-4-PK
吸盘支架 ESH-HB-5-G
吸盘支架 ESH-HB-6-G
吸盘转接支架 ESH-HC-1-QS
气管 DG.K-32-
气管 DG.K-40-
密封件 DG.K-18-
密封件 DG.K-25-
密封件 DG.K-32-
密封件 DG.K-40-
CPU 模块 PS1-HC02-DOS
接口转换器 PS1-SM14-RS232
安装轨 PS1-ZN10-4X-10BASE-T
安装轨 PS1-ZN11-8X-10BASE-T
前一页
MSQ-0.66系列塑壳互感器
后一页
MSQ-0.66系列塑壳互感器
产品中心
更多产品
MORE+
LJWD-35(油浸)电流互感器
一匝穿芯式交流泄漏电流传感器
干式户内放电线圈
LJ-2(零序)电流互感器
JSZK1-10三相搞谐振型电压感器
LJW-10(油浸)电流互感器
SPT204B测量型电压互感器
SCTA测量型电流互感器
双作用气缸 DSEU-12-100-P-A-MQ
双作用气缸 DSEU-12-125-P-A-MQ
双作用气缸 DSEU-12-160-P-A-MQ
双作用气缸 DSEU-12-200-P-A-MQ
电话:
021-51699285
传真:
021-51698592
手机:
13611905823
地址:上海市宝山区恒高路127弄6号楼2202室
首 页
关于我们
公司简介
品牌介绍
企业荣誉
产品中心
工业连接端子CLIPLINE
工业现场布线PLUSCON
印刷线路板连接器COMBICON
防雷及电涌保护器TRABTECH
电子接口产品INTERFACE
自动化系统AUTOMATION
新闻中心
公司新闻
行业动态
联系我们