产品展示
SPT204B测量型电压互感器
首页 / 产品中心 / 微型精密互感器
产品标题:SPT204B测量型电压互感器
产品ID:VIB20100105115135734
品  牌:ANGESUN互感器
所在地:中国 上海
价  格:面议 (大量采购价格面议)
库存状态:货期待查
更新日期:2025-10-13 6:31:08
咨询电话:(+86)021-51699285
咨询Q Q: 2695337323
产品简述

SPT204B测量型电压互感器

产品详情

SPT204B测量型电压互感器
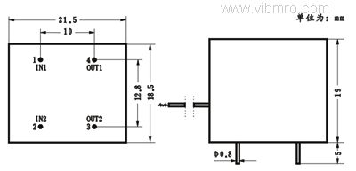
技术特点及相关参数:
●电磁隔离,精度高,无漂移
●MTBF>10万小时
●全树脂密封,可靠性高;
●工作温度-25℃~+75℃
●隔离耐压AC2500V/1分钟
●2倍过载
●输入电流2mA (外接限流电阻)
●屏蔽型,抗干扰能力强
●输出电流2mA
●频响20~50KHZ,尤其适合工频信号检测
●线性度0.1%,耐冲击性强
●相差小于5分(补偿后)
●小巧轻便,能直接焊接在印刷线路板上
●对应型号SPT204B
三、使用说明
  SPT204B是一种电流型电压互感器,推荐使用状态为2mA:2mA。典型应用电路如图所示。选取Rs使原边电流为2mA,则副边也会感应出一个相同的电流。根据Vo=2mA×(R+W),调节反馈电阻R+W,即可获得所需的输出电压。精度要求不高时,可不用W。可调节电阻r及电容C用于补偿相移,不需补偿时,可以不接。所用电阻均要求温度系数小于50PPM。
四、应用电路