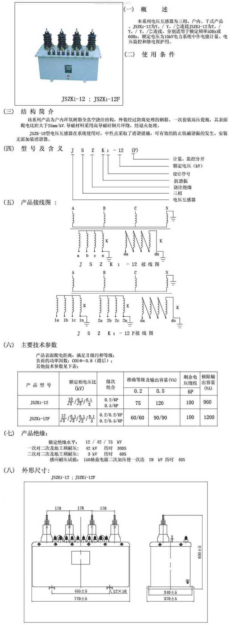
JSZWK-6.10、JSZK1-6.10(F)三相搞谐振型电压感器 产品详情 产品型号 双作用短行程气ADVC-100-25-A-P 双作用多位气缸 D - 70- 50-40-PV1-B-SA 双作用多位气缸 D - 70- 100-40-PV1-B-SA 双作用多位气缸 D - 70- -40-PV1-B-SA 双作用多位气缸 D - 90- 100-40-PV1-B-SA 增压器 DPA-100-16 电磁阀 MGTBH-5/2K-FR-110AC-NA 电磁阀 MGTBH-5/2K-FR-230AC-NA 电磁阀 MGXDH-5/2K-FR-110AC-NA 电磁阀 MGXDH-5/2K-FR-230AC-NA 小型滑块驱动器 SLT-16-125-P-A 小型滑块驱动器 SLT-16-150-P-A 小型滑块驱动器 SLT-20-125-P-A 小型滑块驱动器 SLT-20-150-P-A 前一页 JSZWK-10三相搞谐振型电压感器 后一页JSZWK-10三相搞谐振型电压感器 产品中心 更多产品 MORE+ SPT204B测量型电压互感器 FD2油浸式放电线圈 干式户内放电线圈 干式户内放电线圈 10KV户内三相电压互感器JSZW3-6 10KV户内三相电压互感器JSZW3-10 JDZF8-35电压互感器 JSZG(F)1-6.10三相搞谐振型电压感器 双作用短行程气ADVC-16-10-I-P-A 双作用短行程气 ADVC-16-15-I-P-A 双作用短行程气 ADVC-16-20-I-P-A 双作用短行程气ADVC-16-25-I-P-A 电话:021-51699285 传真:021-51698592 手机:13611905823 地址:上海市宝山区恒高路127弄6号楼2202室 首 页 关于我们 公司简介 品牌介绍 企业荣誉 产品中心 工业连接端子CLIPLINE工业现场布线PLUSCON印刷线路板连接器COMBICON防雷及电涌保护器TRABTECH电子接口产品INTERFACE自动化系统AUTOMATION 新闻中心 公司新闻 行业动态 联系我们