产品展示
SCTB测量型电流互感器
首页 / 产品中心 / 微型精密互感器
产品标题:SCTB测量型电流互感器
产品ID:VIB20100105121549734
品  牌:ANGESUN互感器
所在地:中国 上海
价  格:面议 (大量采购价格面议)
库存状态:货期待查
更新日期:2025-10-16 10:20:17
咨询电话:(+86)021-51699285
咨询Q Q: 2695337323
产品简述

SCTB测量型电流互感器

产品详情

使用说明:
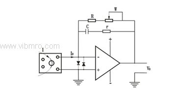
  SCT□□□B系列精密电流互感器,典型应用电路如图所示。根据Vo=Io(R+W),调节反馈电阻R+W,即可获得所需的输出电压。精度要求不高时,可不用W。可调节电阻r 及电容C用于补偿相移,不需补偿时,可以不接。所用电阻均要求温度系数小于50PPM。
应用电路